护理系
学院首页设为首页加入收藏
您现在的位置是🦹🏻‍♀️:主页 > 机构设置 > 教学机构 > 护理系 > 系部概况 > 规章制度 >
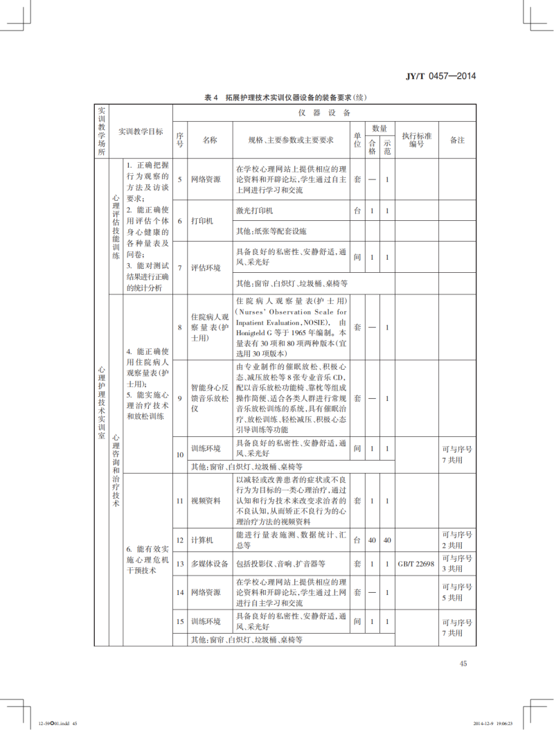
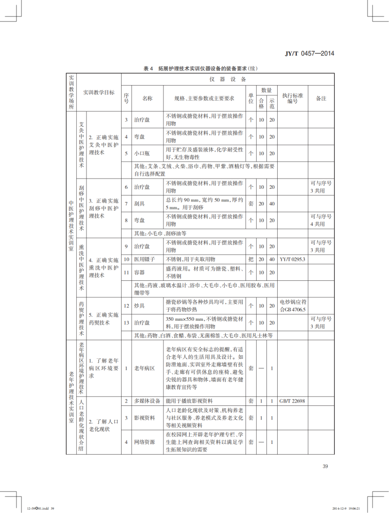
护理专业仪器设备装备规范


护理专业仪器设备装备规范.pdf

Copyright © 2015-2022 彩神
彩神学校地址:广东省茂名市电白区电海街道安乐东路1号
网站备案号:粤ICP备98496739号
技术支持:教育技术与网络中心
招生办公室💟:0668-2902527
学院党政办公室:0668-2904258
彩神学校网址:www.cq6616.com
彩神专业提供:彩神等服务,提供最新官网平台、地址、注册、登陆、登录、入口、全站、网站、网页、网址、娱乐、手机版、app、下载、欧洲杯、欧冠、nba、世界杯、英超等,界面美观优质完美,安全稳定,服务一流,彩神欢迎您。
彩神